Verifica saldature profilato scatolato

* * *


OGGETTO:




n° decimali =

INSERIRE I DATI

per i decimali
usare il punto
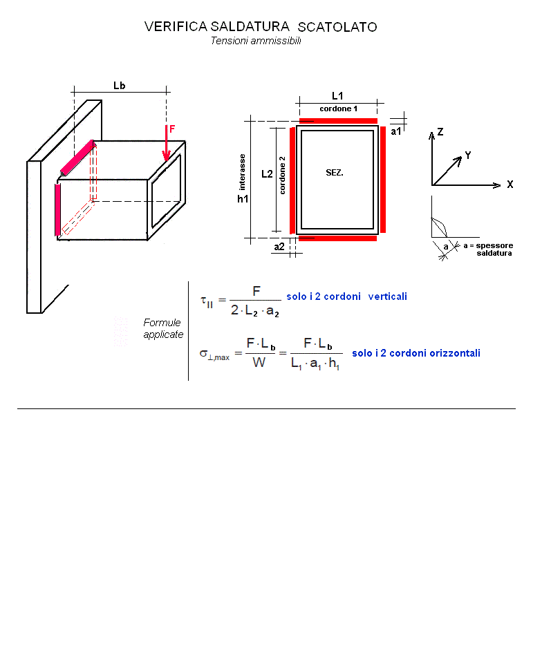
F = Forza applicata sullo sbalzo Newton
Lb = Lunghezza sbalzo profilato mm
L1 = Lunghezza saldatura 1 mm
L2 = Lunghezza saldatura 2 mm
a1 = spessore saldatura di L1 mm
a2 = spessore saldatura di L2 mm
h1 = Altezza saldatura di L1 (interasse) mm
σ adm = Tensione amm saldatura N/mmq
coef.= (per Fe360 = 0.85 oppure per Fe430 e Fe510 = 0.70) coeff.

RISULTATI

τ // = Tensione di taglio N/mmq
σ T max = Tensione di flessione N/mmq
W = modulo di resistenza saldatura verticale cm³
J = momento d'inerzia saldatura verticale cm4
Area = Area di tutte le 4 saldature cm²

VERIFICA

----

σ id. (<= σ amm.) = tensione ideale riscontrata N/mmq
σ amm = tensione amm N/mmq
1 daN/cmq = 10 N/cmq = 1 Kgf /cmq